砌体结构加固设计之增设砌体扶壁柱加固方法
发布日期:2017-02-16 06:21:37 浏览量:529311.1 计算方法
11. 1. 1 本章规定仅适用于抗震设防烈度为6 度及以下地区的砌
体墙加固设计。
11. 1. 2 增设砌体扶壁柱加固墙体时,其承载力和高厚比的验算应按
现行国家标准《砌体结构设计规范>> GB 5则3 的规定进行。当扶壁
柱的构造及其与原墙的连接符合本规范规定时,可按整体截面计算。
11. 1. 3 当增设砌体扶壁柱用以提高墙体的稳定性时,其高厚比
可按下式计算:

11.2 构造规定
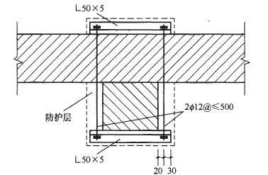
11.2.1 新增设扶壁柱的截面宽度不应小于2ωrnrn,其厚度不应小120mm (图11.2. 1)。当用角钢-螺栓拉结时,应沿墙的全高和内外的周边,增设水泥砂浆或细石混凝土防护层(图1 1. 2. 3) 。

图1 1. 2. 1 增设扶壁柱的截面尺寸(mm)
当增设扶壁柱以提高受压构件的承载力时,应沿墙体两侧增设扶壁柱。
11.2.2 加固用的块材强度等级应比原结构的设计块材强度等级
提高一级,不得低于MU15; 并应选用整砖(砌块)砌筑。加固
用的砂浆强度等级,不应低于原结构设计的砂浆强度等级,且不
应低于M5。
11.2.3 增设扶壁柱处,沿墙高应设置以2 cf>12mm 带螺纹、螺帽的钢筋与双角钢组成的套箍,将扶壁柱与原墙拉结;套箍的间距不应大于500mm (图1 1. 2.3) 。

图1 1. 2. 3 砌体墙与扶壁柱间的套箍拉结(mm)
11.2.4 在原墙体需增设扶壁柱的部位,应沿墙高,每隔
300mm 凿去一皮砖块,形成水平槽口(图1 1. 2. 的。砌筑扶壁
柱时,槽口处的原墙体与新增扶壁柱之间,应上下错缝,内外搭
砌。砖砌体接楼时,必须将接搓处的表面清理干净,浇水湿润,
用干捻砂浆将灰缝填实。

图11.2.4 水平槽口(nun)
11.2.5 扶壁柱应设基础,其埋深应与原墙基础相同。
文章来源: 永年加固公司 本文链接: http://www.lubanwang.com/a_20170209223157.html 任何关于加固工程的问题和建议,敬请咨询:0591-87868646
上一篇:招聘信息
下一篇:砌体结构构造性加固技术






